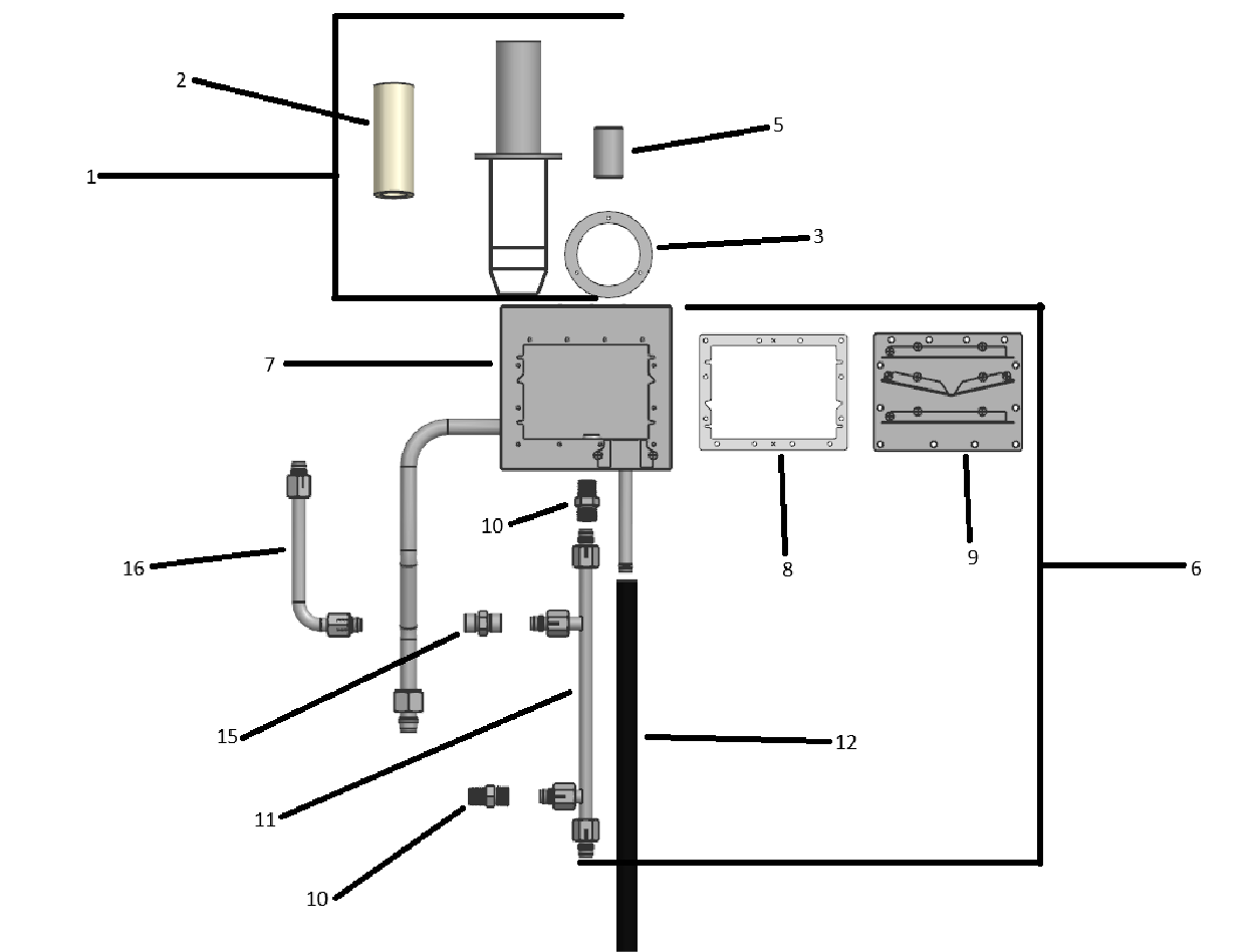
Steam Stack and Deadweight
|
Item No. |
Part No. |
Description |
Qty. |
Stocking Level |
|---|---|---|---|---|
|
1 |
174201 |
Steam stack and cage assembly (Excludes deadweight) |
1 |
|
| 2 | -150654 | -Steam stack rubber tube | 1 | |
| 3 | -94941 | -Deadweight holder gasket | 1 | |
| 4* | -SC06-093 | -Knurl cross tip screw, 10-32 X 1/2 in. | 3 | |
| 5 | 16903 | 12 PSI deadweight | 1 | |
| 6 | 140698 | Steam box kit | 1 | |
| 7 | -152020 | -Steam box (12 hole only) | 1 | |
| 8 | -152101 | -Steam box cover/baffle gasket (12 hole only) | 1 | |
| 9 | -152067 | -Steam box cover/baffle (12 hole only) | 1 | |
| 10 | -16807 | -Fitting, straight connector, male | 1 | |
| 11 | -94371 | -Steam box manifold | 1 | |
| 12 | -94377 | -Steam box condensate hose | 1 | |
| 13* | -179378 | -Solenoid valve repair kit, 3/4 in. | 1 | |
| 14* | -SC01-006 | Screw #10-32 X 3/8 PH, THD | 12 | |
| 15 | FP01-202 | Fitting, connector 5/8 tube to 5/8 tube | 1 | |
| 16 | 93186 | Tube, relief valve to steam manifold | 1 | |
|
Recommended Parts: A = Truck Stock; B = Dist. Stock * = Not Shown |
||||